Wilkerson M31 Coalescing Filter - 3/4" In-Line Filter
Wilkerson M31 Coalescing Filter - 3/4" In-Line Filter
SKU:SSP-12c3e9
Achieve air purity with Wilkerson M31 Coalescing Filter - 0.01 micron, Grade B/C, 215 cfm capacity
Regular price
$189.99
Regular price
Sale price
$189.99
Unit price
per
Delivery via Maden
Expect your order to arrive on time.
Secure Payments
All orders are processed through a secure, PCI-compliant checkout.


The Wilkerson M31 Coalescing Filter is expertly designed to eliminate solid particles, water, and oil aerosols down to 0.01 micron. With a maximum remaining oil content as low as 0.01ppm, this filter ensures pristine air quality. Choose between Grade B/B1 elements for general applications or Grade C for ultra-fine particulate removal in critical environments like air logic systems and healthcare. Perfect for protecting sensitive components and ensuring optimal air quality in various industries.
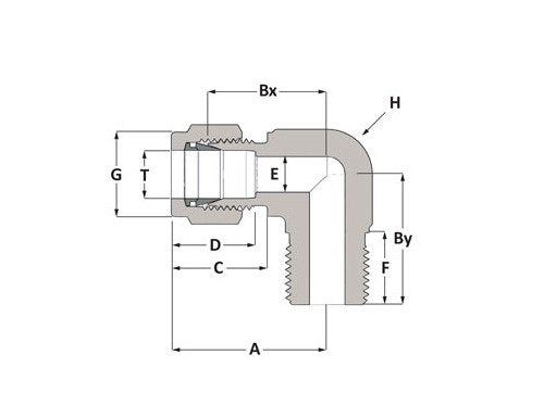
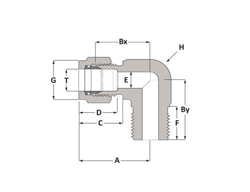
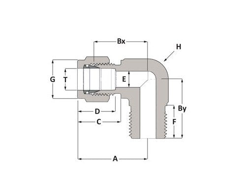
Product Specifications
Dimensions A
25.4 mm
Dimensions Bx
18.8 mm
Dimensions By
23.3 mm
Dimensions C
16.1 mm
Dimensions D
13.7 mm
Dimensions E
2.4 mm
Dimensions F
14.4 mm
Dimensions G
1/2 in | 13 mm
Dimensions H
1/2 in | 13 mm
Dimensions P
1/4 in
Dimensions T
4 mm
Specifications Body Material
316 SS
Specifications Brand Series
Duolok
Specifications Connection 1 Size
4 mm
Specifications Connection 1 Type
Tube Fitting
Specifications Connection 2 Size
1/4 in
Specifications Connection 2 Type
Male BSPT
Specifications End Connections
TF x Male BSPT
Specifications Handle Color
0
Specifications Handle Type
0
Specifications List Price
21.44 USD
Specifications Production Category
1
Specifications Shape
Elbow
Category 6
Duolok® Tube Fittings