Wouter Witzel Series EVBLS Semi Lug Long Neck Valve
Wouter Witzel Series EVBLS Semi Lug Long Neck Valve
SKU:VAL-87a4f4
Premium Wouter Witzel butterfly valve with long neck design, ISO compliant, various sizes & actuation options.
Regular price
$399.99
Regular price
Sale price
$399.99
Unit price
per
Delivery via Maden
Expect your order to arrive on time.
Secure Payments
All orders are processed through a secure, PCI-compliant checkout.



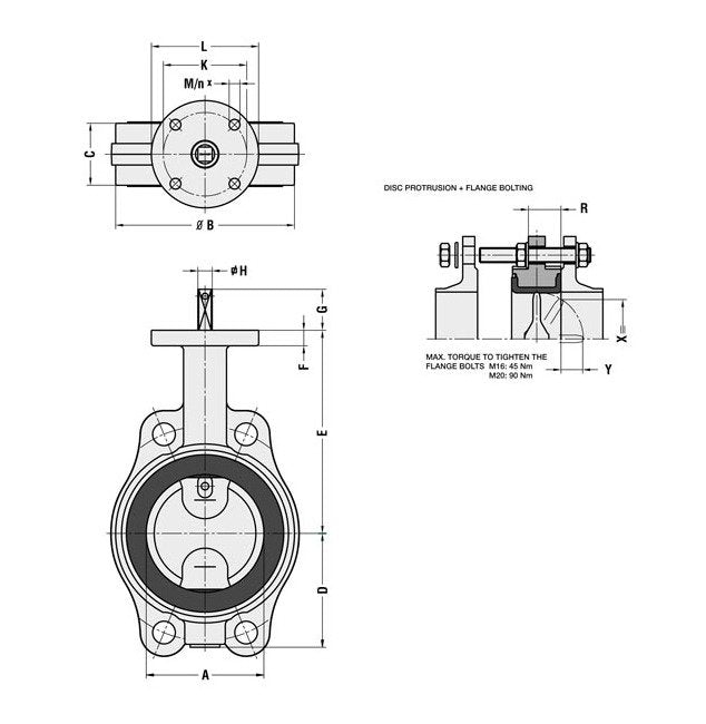
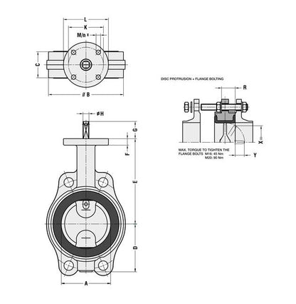
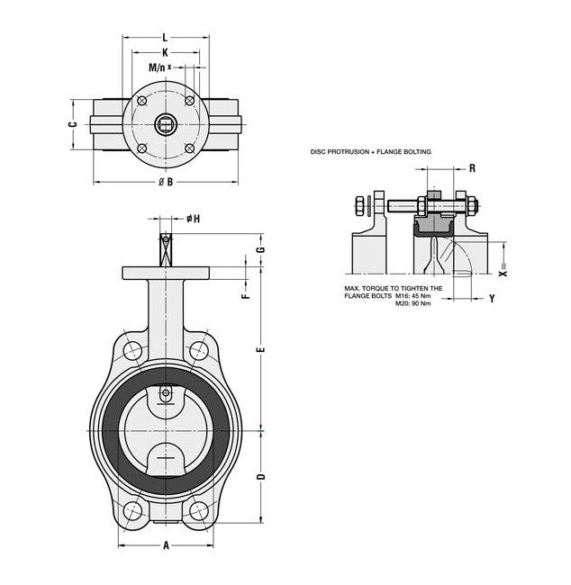
The Wouter Witzel Series EVBLS Semi Lug Valve with Long Neck is a high-quality butterfly valve designed for efficient fluid control. With a robust construction of materials such as stainless steel, carbon steel, and bronze, it offers exceptional durability and performance. This valve is compliant with ISO standards for face-to-face dimensions, ensuring seamless integration into existing systems. Available in sizes ranging from DN50 to DN200, and with various actuation options including manual, electric, pneumatic, and hydraulic, it caters to diverse operational needs with precision and reliability.
Product Specifications
Specifications A
80 mm
Specifications Actuation Possibilities
Electric | Hydraulic | Manual | Pneumatic
Specifications Available Type Approvals
BV | LRS | RMRS | WRC
Specifications Body Material
Bronze RG10 | Carbon Steel | GG25 Cast Iron | GGG40 Ductile Iron | Stainless Steel
Specifications B Diameter
130 mm
Specifications C
46 mm
Specifications D
78 mm
Specifications E
167 mm
Specifications F
12 mm
Specifications Flange Connections
PN 10 | PN 16
Specifications G
34 mm
Specifications H Diameter
10 mm
Specifications Iso 5211
F07
Specifications K
70 mm
Specifications L
90 mm
Specifications Liner Material
Ethylene Propylene Diene Monomer (EPDM) Special Grade | Ethylene Propylene Diene Monomer (EPDM) Standard Grade | Fluoroelastomer Polymer (FPM) Viton | Nitrile Butadiene Rubber (NBR)
Specifications M Diameter
9 mm
Specifications N Number Of Holes
4
Specifications R
32 mm
Specifications Size
DN80 - 3"
Specifications Stem Material
Aluminum Bronze | Duplex Stainless Steel 1.4462 | Martensitic Stainless Steel 1.4408
Specifications Valve Function
Isolating valve (on,off) and regulating valve | Regulating valve
Specifications Valve Shut Off Pressure
10 bar | 16 bar | 6 bar
Specifications Weight
4.2 kg
Specifications X
66 mm
Specifications Y
17 mm